https://www.tradgardsteknik.se/logotyper/bill_logo_1.png
Patric Torle
info@tradgardsteknik.se
0431-222 90
0431-222 70
Trädgårdsteknik AB tillverkar och bygger växthus, specialväxthus, orangerier, belysning Garden för hela Skandinavien.
Helsingborgsvägen 578
ÄNGELHOLM
262 96
SWEDEN

Pump centrifugalpump vertikal flerstegs Grundfos CRN 64-8-1, 45kW 64m³/h 181,3m   




Pump centrifugalpump vertikal flerstegs Grundfos CRN 64-8-1,  45kW 64m³/h  181,3m 
Vertikal, normalsugande, flerstegs, in-line centrifugalpump för installation i rörledning eller montering på fundament.

Funktioner
  • Pumphjul, mellankammare och yttre mantel är tillverkade av Rostfritt stål DIN W.-Nr. 1,4401.
  • Topp- och fotstycke är tillverkade av Rostfritt stål DIN W.-Nr. 1,4408.
  • Axeltätningens monteringslängd enligt DIN 24960.
  • Kraftöverföring via klämkoppling av gjutjärn.
  • Röranslutning via DIN flänsar/kopplingar.
  • Motorn är av typen 3-fas normmotor.

Vätska
Vätska Vatten
Vätsketemperatur område -40 till 120°C
Vätsketemp 20°C
Densitet 998,2 kg/m³

Teknisk data
Hastighets

2960 rpm

Resulterande flöde 64 m³/h
 Nominrellt tryck 181,3 m
Pumphjul 8
Reduk. pumphjul 1
Kod för axeltätning. 1: Typ 2. Rot.
tätningsdel 3: Stat. plats 4: Sek. tätning:
HQQE
Kurvtolerans ISO9906:2012 3B
Steg 8
Pumpversion A
Modell A

Material
Pumphus Rostfritt stål EN 1,4408
AISI 316
Pumphjul Rostfritt stål
EN 1,4401 AISI 316

Installation
 Max. omgivningstemperatur 55°C
 Max. tryck vid angiven temp 30 bar / 120°C
30 bar / -40°C
Flänsstandard DIN
Anslutningskod F
Röranslutning DN 100
Trycksteg PN 40
Motorflänsstorlek FF400

Elektriskdata
Motortyp SIEMENS
IE Efficiency class IE3
Antal Poler 2
Effektförbrukning - P2 45 kW
Effektbehov (P2) för pump 45 kW
Nätfrekvens 50 Hz
Märkspänning

3 x 380-420D/
660-725Y V

Nominell ström 78/45 A
Startström 690-690%
Cos phi - verkningsgrad 0,89
Varvtal 2960 rpm
Efficiency IE3 94%
Motorns verkningsgrad vid full belastning 94,0-94,0%
Motorverkningsgrad vid 3/4 last 94,5-94,5%
Motorverkningsgrad vid 1/2 last 94,4-94,4%
Kapslingsklass (EC 34-5) 55  (Protect. Vattenstrålar / damm)
Isolationsklass (EC 85) F
Motorskydd PTC
Motornr 81U15336

Övriga
Märka Grundfos Blueflux
Minsta effektivitetsindex
, MEI ≥
0,7
Nettovikt 448 kg
Bruttovikt 499 kg
Leveransvolym 1,13 m³

Prestanda kurvor

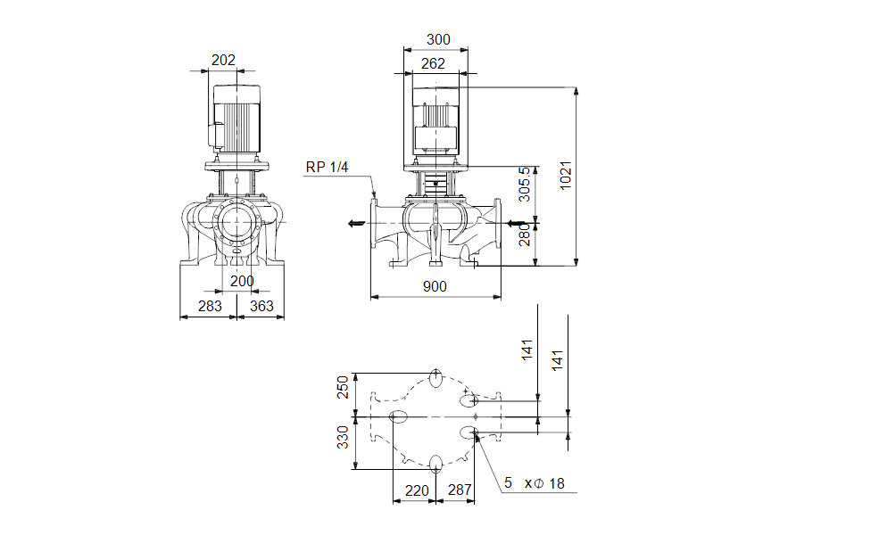
» Ritning med mått beskrivning

» Kopplings schema

  • Pump centrifugalpump vertikal flerstegs Grundfos CRN 64-8-1,  45kW 64m³/h  181,3m
    Art. nr.
    GRU96123795
    Pump centrifugalpump vertikal flerstegs Grundfos CRN 64-8-1, 45kW 64m³/h 181,3m
För mer information kontakta oss på
0431-222 90


TRÄDGÅRDSTEKNIK AB
Helsingborgsv., Varalöv
262 96 ÄNGELHOLM
Telefon:
0431-222 90
Org Nr:
556409-6120
Webbadress:
www.tradgardsteknik.se
E-post:
info@tradgardsteknik.se