https://www.tradgardsteknik.se/logotyper/bill_logo_1.png
Patric Torle
info@tradgardsteknik.se
0431-222 90
0431-222 70
Trädgårdsteknik AB tillverkar och bygger växthus, specialväxthus, orangerier, belysning Garden för hela Skandinavien.
Helsingborgsvägen 578
ÄNGELHOLM
262 96
SWEDEN

Tryckstyrningsenhet Grundfos PM1, 2,2 bar  




Tryckstyrningsenhet Grundfos PM1 2,2 bar

    • Grundfos tryckstyrenhet PM 1 är avsedd för automatisk start/stopp-reglering av Grundfospumpar och andra vattenförsörjningspumpar.
    • PM 1 är lämplig för applikationer där pumpen behöver startas/stoppas beroende på förbrukning.
    • Det är en grundläggande styrningslösning som möjliggör start vid 2,2 bar bar. PM 1 startar pumpen när starttrycket nås, varefter pumpen arbetar så länge flöde föreligger.
    • PM 1 erbjuder torrkörningsskydd och skyddar mot täta start/stopp för bättre säkerhet

    Vätska
    Vätsketemperatur område 0 till 40°C

    Teknisk data
    Godkännanden och märkning CE,EAC,WEEE
    Ventil  Ja

    Installation
    Område för omgivande temperatur 50 °C
    Max. driftstryck 10 bar
    Starttryck 2,2 bar
    Insläpp ansluta G1"
    utlopp ansluta G1"
    Insläpp thread Extern
    Utlopp thread Extern
    Tryckavläsning NEJ

    Elektriskdata
    Uttagen effekt på hastighet 3 1200 W
    Nätfrekvens 50/60 Hz
    Märkspänning 1 x 220-240 V
    Max strömförbrukning 10 A
    Kapslingsklass (EC 34-5) IP65
    Kabellängd 0,5 m
    Typ av skarvkoppling SCHUKO
    Nätkabel 1,5 m

    Tank
    Volym på tryckbehållare 0,1 l

    Övriga
    Nettovikt 1,26 kg
    Bruttovikt 2 kg


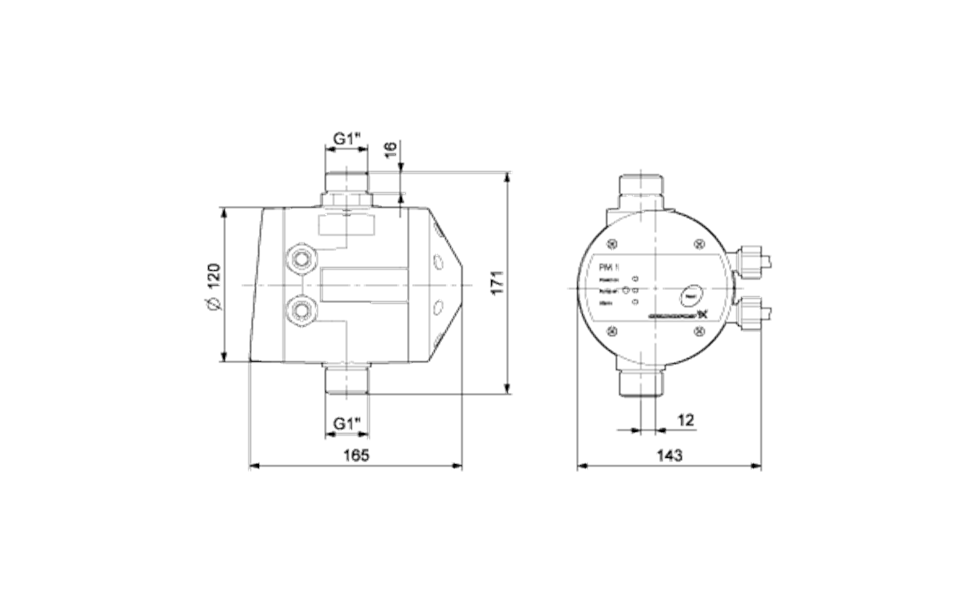
    » Ritning med mått beskrivning

    • Tryckstyrningsenhet Grundfos PM1, 2,2 bar
      Art. nr.
      GRU96848722
      Tryckstyrningsenhet Grundfos PM1, 2,2 bar
    För mer information kontakta oss på
    0431-222 90


    TRÄDGÅRDSTEKNIK AB
    Helsingborgsv., Varalöv
    262 96 ÄNGELHOLM
    Telefon:
    0431-222 90
    Org Nr:
    556409-6120
    Webbadress:
    www.tradgardsteknik.se
    E-post:
    info@tradgardsteknik.se