Tryckregleringsventil hydraul Bermad FP400E5DC
Tryckregleringsventil hydraul är lämplig för flödesreglering i firesystem som innefattar våta pilotledningar med slutna smält pluggar. Att ge ökat lokal öppning, rekommenderas för system med förhöjda smält plug linjer. Det öppnar, bevara utformat flöde, och stänger som svar på hydraultryck status i den våta pilotledningen.
Produktegenskaper och fördelar
Tryckkontrollfunktion - Konstant lägre förinställd, nedströms tryck
Fjärråterställning - Avstängning på fjärrkommando
Ett stycke gjutna membran - Endast rörliga delen-Inget underhåll krävs
Torr solenoid - Lämplig för frätande vatten eller skum
Enkel design - Kostnadseffektiva
Hinder - gratis full bar-Kompromisslös tillförlitlighet
Fabriksförmonterad trim - Out-of-box-kvalitet
In-line kan få service-Minimal nertid
Typiska Applikationer
Flaktuerande eller övertryck
Plattformar till havs
Marina miljöer
Havsvatten/frätande vattentäkter
Skum brandsystem
Ökad tillförlitlig respons genom torr solenoid
Redundanta system för säkerhetsdetektering
»
Klicka här för att se den datablad
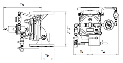
| Modell |
DN |
L1 mm
|
L4 mm
|
Tw mm
|
Ts mm
|
Th mm
|
Tb mm
|
| FP400E5DC40 |
40 |
205 |
205 |
228 |
228 |
226 |
278 |
| FP400E5DC50 |
50 |
205 |
205 |
228 |
228 |
226 |
278 |
| FP400E5DC65 |
65 |
205 |
N/A |
220 |
220 |
242 |
289 |
| FP400E5DC80 |
80 |
257 |
250 |
243 |
243 |
262 |
300 |
| FP400E5DC100 |
100 |
320 |
320 |
253 |
253 |
261 |
337 |
| FP400E5DC150 |
150 |
415 |
415 |
312 |
318 |
356 |
378 |
| FP400E5DC200 |
200 |
500 |
500 |
326 |
326 |
407 |
405 |
| FP400E5DC250 |
250 |
605 |
N/A |
346 |
326 |
407 |
413 |
| FP400E5DC300 |
300 |
725 |
N/A |
391 |
391 |
546 |
473 |
