https://www.tradgardsteknik.se/logotyper/bill_logo_1.png
Patric Torle
info@tradgardsteknik.se
0431-222 90
0431-222 70
Trädgårdsteknik AB tillverkar och bygger växthus, specialväxthus, orangerier, belysning Garden för hela Skandinavien.
Helsingborgsvägen 578
ÄNGELHOLM
262 96
SWEDEN

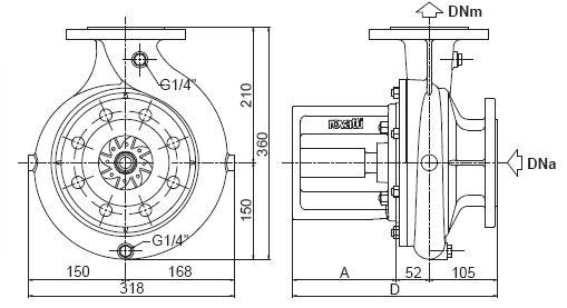
Pump flänsad pump ROVATTI FL621 120m³/h  




Pump flänsad pump ROVATTI FL621  120m³/h


CA/SB

 

F

 

 

 

 

Flänsar   Standard A
D
Vikt
CA 1 a 186 343 34
b **
c
2 a 186 343 34
b **
3 a 186 343 34
b **
c
4 a 170 327 32
b **
5 a 186 343 34
b **
c
6 a 186 343 34
b **
7 a 170 327 32
b **
SB 11 **
12 160 317 32
21 **
22 177 334 36
23 177 334 35
31 **
32 177 334 36
33 177 334 35
F 1 115 272 36
2 120 277 36

 

 ** - Inte tillgängliga versionen
Q Flänsad
DN D1 D2

S

D3
DNa

PN 16
80 200 160 8 19
DNm
PN 10/16*
65 185 145 4 19

 

* Beroende fungera pressar

 

Q Kapacitet
[m3/h] 0

60

72 90 102 114 120
[l/s] 0 16,7 20 25 28,3 31,7 33,3
[l/min] 0     1000     1200     1500     1700     1900

    2000

min-1 Impeller

H

[m]

N

[kW]

H

[m]

N

[kW]

H

[m]

N

[kW]

H

[m]

N

[kW]

H

[m]

N

[kW]

H

[m]

N

[kW]

H

[m]

N

[kW]

3600 H 63 7,4 62 17,4 60 19,1 58 20,5 54 21,7 49 22,6 45 22,8
I 56 6,0 54 15,2 52 16,4 49 17,5 45 18,2 39 18,7 36 18,9

 

Q Kapacitet
[m3/h] 0

60

84 96 108 114 120
[l/s] 0 16,7 23,3 26,7 30 31,7 33,3
[l/min] 0     1000     1400     1600     1800     1900

    2000

min-1 Impeller

H

[m]

N

[kW]

H

[m]

N

[kW]

H

[m]

N

[kW]

H

[m]

N

[kW]

H

[m]

N

[kW]

H

[m]

N

[kW]

H

[m]

N

[kW]

3300 F 68 8,1 67 19,5 64 22,0 60 23,3 55 24,2 52 24,4 - -
G 59 7,4 59 16,6 56 18,7 52 19,8 47 20,4 43 20,6 - -
H 53 5,7 51 14,1 48 16,0 44 16,9 39 17,5 - - - -
I 47 4,7 45 12,2 41 13,6 37 14,2 31 14,5 - - - -

 

Q Kapacitet
[m3/h] 0

60

72 90 102 108 114
[l/s] 0 16,7 20 25 28,3 30 31,7
[l/min] 0     1000     1200     1500     1700     1800

    1900

min-1 Impeller

H

[m]

N

[kW]

H

[m]

N

[kW]

H

[m]

N

[kW]

H

[m]

N

[kW]

H

[m]

N

[kW]

H

[m]

N

[kW]

H

[m]

N

[kW]

3000 E 62 8,1 61 17,6 59 19,1 56 20,2 51 20,9 48 21,0 45 21,0
F 56 6,1 55 15,4 52 16,8 48 17,8 43 18,3 40 18,4 - -
G 49 5,5 48 13,1 46 14,2 42 15,0 36 15,4 33 15,5 - -
H 44 4,3 42 11,2 39 12,2 35 12,9 30 13,3 - - - -
I 39 3,5 36 9,6 33 10,3 29 10,8 24 11,0 - - - -

 

Q Kapacitet
[m3/h] 0

60

72 84 96 102 108
[l/s] 0 16,7 20 23,3 26,7 28,3 30
[l/min] 0     1000     1200     1400     1600     1700

    1800

min-1 Impeller

H

[m]

N

[kW]

H

[m]

N

[kW]

H

[m]

N

[kW]

H

[m]

N

[kW]

H

[m]

N

[kW]

H

[m]

N

[kW]

H

[m]

N

[kW]

2600 E 47 5,2 44 12,3 41 13,3 39 13,7 34 14,4 31 14,7 27 14,9
F 43 4,3 40 10,8 37 11,6 35 12,0 30 12,5 28 12,7 - -
G 38 2,7 35 9,2 32 10,0 30 10,3 25 10,7 23 10,8 - -
H 33 2,8 30 7,8 27 8,5 25 8,7 20 9,0 - - - -
I 29 2,2 25 6,5 22 7,0 20 7,2 16 7,4 - - - -

 

Föreställningar  3600 min-1

Q- kapacitet, H- huvud

Kurvor fastställda för vätsketäthet 1000 kg/m³
Viskositet 1 mm² /s
Temperatur 20°C
η% - Pump effektivitet
Y - Ventilförlust Returnerar ej.

Föreställningar  3300 min-1

 

 Föreställningar  3000 min-1

Föreställningar  2600 min-1

 

  • Pump flänsad pump ROVATTI FL621  120m³/h
    Art. nr.
    ROV0322
    Pump flänsad pump ROVATTI FL621 120m³/h
För mer information kontakta oss på
0431-222 90


TRÄDGÅRDSTEKNIK AB
Helsingborgsv., Varalöv
262 96 ÄNGELHOLM
Telefon:
0431-222 90
Org Nr:
556409-6120
Webbadress:
www.tradgardsteknik.se
E-post:
info@tradgardsteknik.se