https://www.tradgardsteknik.se/logotyper/bill_logo_1.png
Patric Torle
info@tradgardsteknik.se
0431-222 90
0431-222 70
Trädgårdsteknik AB tillverkar och bygger växthus, specialväxthus, orangerier, belysning Garden för hela Skandinavien.
Helsingborgsvägen 578
ÄNGELHOLM
262 96
SWEDEN

Avloppspump med autoadapt Grundfos SEG.40.26.2.50B, 2,6kW 3,35 l/s 22,49m 3x400V 50Hz  




Avloppspump med autoadapt Grundfos SEG.40.26.2.50B, 2,6kW 3,35 l/s 22,49m 3x400V 50Hz
  • Grundfos SEG är en dränkbar pump med horisontalt utlopp, tillverkad för trycksatta avloppssystem inklusive spolvatten från vattenklosetter.
  • SEG pumpen är utrustad med ett skärsystem som finfördelar fasta föroreningar, så att dessa kan pumpas bort genom rör med relativt liten diameter.
  • Ytan på pumpen är slät för att undvika att smuts och orenheter fastnar på pumpen.
  • Pumpen är tillverkad i gjutjärn, spännbandet som kopplar samman pump och motor och förenklar service på pumpen är tillverkat i rostfritt stål.
  • Motorkabel innehåller även ledare från termokontakten i motorlindningen.
  • Motorkabeln har en plugg för inkoppling på motor, den helt täta pluggen förhindrar förorenigar att tränga in i motorn vid ev. kabelbrott.
  • Pumpen måste anslutas till en kontrollenhet.
  • Pumpen är testad av VDE.
*-Bilden på produkten kan avvika från aktuell produkt.



Vätska
Pump Vätska Alla newtonska vätskor
Vätsketemperatur område 40°C
Densitet 998,2 kg/m³

Teknisk data
Resulterande flöde 3,35 l/s
Max. flöde 5,28 l/s
Resulterande lyfthöjd för pumpen 22,49 m
Max. tryck 33,8 m
Typ av hjul SKÄRANDE SYSTEM
Primär axeltätning SIC/SIC
Sekundär axeltätning KOL/CERAMICS 
Läs på namnskylten PA-I
Kurvtolerans ISO9906:2012 3B2

Material
 Pumphus Gjutjärn
EN1561 EN-GJL-200
Pumphjul Gjutjärn
EN1561 EN-GJL-200

Installation
Max. omgivningstemperatur 40 °C
Max. driftstryck 6 bar
Flänsstandard DIN
Rörförbindelse DN40/50
Trycksida DN 40
Trycksteg PN10
Max. installationsdjup 10 m
Inst. torr/våt SUBMERGED
Kopplingsfot 96076063

Elektriskdata
Uttagen effekt - P1 3,2 kW
P2 2,6 kW
Nätfrekvens 50 Hz
Märkspänning

3 x 400-
415 V

Spänningstolerans +6/-10 %
Max antal starter per timme 30
Nominell ström 6 A
Startström 33 A
Beräknad ström vid noll belastning 2,8 A
Cos phi - Effektfaktor 0,87
Cos phi - p.f. vid 3/4 belastning 0,81
Cos phi - p.f. vid 1/2 belastning 0,68
Hastighet 2870rpm
Tröghetsmoment 0,0093 kg m²
Motorns verkningsgrad vid full belastning 82%
Motorns verkningsgrad vid 3/4 belastning 84%
Motorns verkningsgrad vid 1/2 belastning 84%
Antal poler 2
Startmetod direct-on-line
Kapslingsklass (EC 34-5) IP68
Isolationsklass (EC 85) F
Explosionsskyddad N
Motorskydd TERMISK BRYTARE
Termiskt skydd utvändig
Kabellängd 10 m
Kabeltyp LYNIFLEX
Typ av skarvkoppling Ingen plug

Styrningar
Styrenhet Ej inkluderad
External
Fuktgivare utan fuktighetssensor

Övriga
Nettovikt 64.8 kg

 Prestanda kurvor

Notera

Detta är nominella driftpunkten.

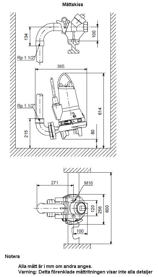
» Ritning med mått beskrivning
  • Avloppspump med autoadapt Grundfos SEG.40.26.2.50B, 2,6kW 3,35 l/s  22,49m 3x400V 50Hz
    Art. nr.
    GRU96075913
    Avloppspump med autoadapt Grundfos SEG.40.26.2.50B, 2,6kW 3,35 l/s 22,49m 3x400V 50Hz
För mer information kontakta oss på
0431-222 90


TRÄDGÅRDSTEKNIK AB
Helsingborgsv., Varalöv
262 96 ÄNGELHOLM
Telefon:
0431-222 90
Org Nr:
556409-6120
Webbadress:
www.tradgardsteknik.se
E-post:
info@tradgardsteknik.se