Oljepanna 700kW 3-Stegs
Oljepanna med brännare och säkerhetsutrustning. Brännare anpassad för olja typ EO1. Pannan är avsedd att sitta i slutet system. Brännare (från 230 kW) Weishaupt WM-L10/4-A, T.
 
 
 
 
» 
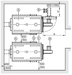
Klicka här för att se dimensioner bild Klicka här för att se fler detaljer Uppställning
 Minimal avstånd
 Montage och underhåll underlättas om de angivna måtten följs. I trånga utrymmen behöver man endast ta hänsyn till min. avstånd (mått inom parentes). Vid leveransen öppnas pannluckan åt höger. Gång järnsbultarna kan flyttas så att luckan öppnas åt vänster.
  | 
A- Varmepanna      C-Ljuddampande                                            pannunderlagg  B- Brannare           D-Pannkretsreglering
 
  | 
 Mått a: Detta utrymme måste finnas framför värmepannan för rengöring av rökgasstråken. Avståndet på 800 mm mellan värmepannorna kan reducerastill 50 mm om reglerutrustningen monteras på pannornas andra sida.  
Uppställningskrav ■ Undvikluftföroreningargenom halogenkolväten (finnst.ex. i sprayer, färger, lösnings och rengöringsmedel)
■ Ingen kraftig dammförekomst
■ Ingen hög luftfuktighet
■ Frostsäkert och god ventilation
Om dessa krav inte uppfylls kan det leda till larm och skador på anlaggningen.
Värmepannan får inte ställas upp i utrymmen där man kan räkna med luftföroreningar genom halogenkolväten om inte tillräckliga åtgärder har vidtagits för tillförsel av ren förbränningsluft.  
Montage av brännaren Brännaren ska monteras på brannarplattan. Det går inte att montera brännaren direkt på pannluckan utan brännarplatta.
Borra hål i den medföljande brännarplattan enligt brännarens mått. På begäran kan brännarplattorna förberedas på fabriken (mot en extra kostnad). Ange i detta fall brännarfabrikat och typ vid beställningen. Flamröret måste sticka ut ur pannluckans isolering. Brännaren får inte överskrida en totalvikt på 180 kg.
Flödesmotstånd på hetvattensidan Vitoplex 200 är endast avsedd fö pumpcirkulationssystem
  | 
     A- Märkeffekt 700 och 900 kW       B-Märkeffekt 1100 och 1300 kW       C-Märkeffekt  1600 och 1950 kW
  
 |