https://www.tradgardsteknik.se/logotyper/bill_logo_1.png
Patric Torle
info@tradgardsteknik.se
0431-222 90
0431-222 70
Trädgårdsteknik AB tillverkar och bygger växthus, specialväxthus, orangerier, belysning Garden för hela Skandinavien.
Helsingborgsvägen 578
ÄNGELHOLM
262 96
SWEDEN

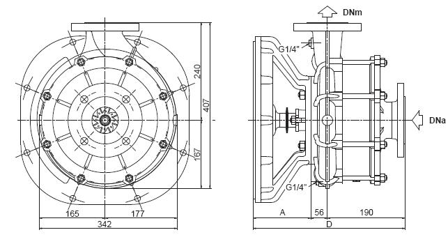
Pump flänsad pump ROVATTI FL526/2 60m³/h  




Pump flänsad pump ROVATTI FL526/2 60m³/h 

 



Q Kapacitet
[m3/h] 0

12

24 42 51 57 60
[l/s] 0 3,3 6,7 11,7 14,2 15,8 16,7
[l/min] 0     200     400     700     850     950

    1000

min-1 Impeller

H

[m]

N

[kW]

H

[m]

N

[kW]

H

[m]

N

[kW]

H

[m]

N

[kW]

H

[m]

N

[kW]

H

[m]

N

[kW]

H

[m]

N

[kW]

3000 I 118 7,5 118 11,8 117 16 107 21,4 97 23,7 89 24,9 84 25,5
L 107 6,5 107 10,3 105 13,9 94 18,7 84 20,6 75 21,7 - -
M 95 5,7 94 9 93 12,4 83 16,9 71 18,5 60 19,3 - -

 

Q Kapacitet
[m3/h] 0

12

24 42 51 57 60
[l/s] 0 3,3 6,7 11,7 14,2 15,8 16,7
[l/min] 0     200     400     700     850     950

    1000

min-1 Impeller

H

[m]

N

[kW]

H

[m]

N

[kW]

H

[m]

N

[kW]

H

[m]

N

[kW]

H

[m]

N

[kW]

H

[m]

N

[kW]

H

[m]

N

[kW]

2600 E 118 8,5 119 12,2 116 15,8 104 20,6 94 22,6 86 23,7 81 24,2
F 111 7,5 111 10,9 108 14,3 96 19,1 86 21 77 22,1 72 22,5
G 105 6,7 105 9,9 102 13,1 90 17,5 79 19,3 70 20,3 64 20,7
H 99 6,1 100 9,1 97 12,2 86 16,3 75 18 66 19 - -
I 89 5,5 89 8,2 87 11 75 14,9 63 16,4 54 17 - -
L 80 4,6 81 6,9 79 9,5 66 13,2 54 14,5 - - - -
M 72 3,9 72 6,6 70 8,9 58 11,7 45 12,9 - - - -

 

Q Kapacitet
[m3/h] 0

12

36 48 54 57 60
[l/s] 0 3,3 10 13,3 15 15,8 16,7
[l/min] 0     200     600     800     900     950

    1000

min-1 Impeller

H

[m]

N

[kW]

H

[m]

N

[kW]

H

[m]

N

[kW]

H

[m]

N

[kW]

H

[m]

N

[kW]

H

[m]

N

[kW]

H

[m]

N

[kW]

2300 E 93 5,9 92 8,6 82 14 71 16,1 63 16,9 59 17,3 55 17,6
F 87 5,1 86 7,8 77 13 65 14,9 57 15,6 53 15,9 - -
G 84 4,6 83 7 72 12 61 14 53 14,7 49 15 - -
H 79 4,3 78 6,3 67 11,1 56 12,7 49 13 - - - -
I 72 3,7 71 5,6 60 10,2 48 11,7 41 12,1 - - - -
L 64 3 64 5,1 52 9,1 39 10,4 - - - - - -
M 58 2,9 57 4,4 45 8,1 30 9 - - - - - -

 

Q Kapacitet
[m3/h] 0

12

24 42 51 54 57
[l/s] 0 3,3 6,7 11,7 14,2 15 15,8
[l/min] 0     200     400     700     850     900

    950

min-1 Impeller

H

[m]

N

[kW]

H

[m]

N

[kW]

H

[m]

N

[kW]

H

[m]

N

[kW]

H

[m]

N

[kW]

H

[m]

N

[kW]

H

[m]

N

[kW]

2000 E 71 3,9 70 5,9 67 8 53 10,7 42 11,7 38 11,9 33 12,2
F 66 3,5 66 5,3 62 7,3 49 9,9 38 10,7 34 10,9 - -
G 63 3 63 4,9 59 6,8 45 9,1 34 9,8 30 9,9 - -
H 60 2,6 59 4,6 55 6,4 42 8,4 31 9,2 - - - -
I 54 2,5 53 4,2 50 5,8 37 7,7 26 8,4 - - - -
L 49 2,2 48 3,7 44 5,2 31 6,9 - - - - - -
M 45 2 44 3,3 40 4,6 24 5,9 - - - - - -

 


Föreställningar
  3000 min-1

Q- kapacitet, H- huvud

Kurvor fastställda för vätsketäthet 1000 kg/m³
Viskositet 1 mm² /s
Temperatur 20°C
η% - Pump effektivitet
Y - Ventilförlust Returnerar ej.

Föreställningar  2600 min-1

Föreställningar  2300 min-1

Föreställningar  2000 min-1

  • Pump flänsad pump ROVATTI FL526/2 60m³/h
    Art. nr.
    ROV0317
    Pump flänsad pump ROVATTI FL526/2 60m³/h
För mer information kontakta oss på
0431-222 90


TRÄDGÅRDSTEKNIK AB
Helsingborgsv., Varalöv
262 96 ÄNGELHOLM
Telefon:
0431-222 90
Org Nr:
556409-6120
Webbadress:
www.tradgardsteknik.se
E-post:
info@tradgardsteknik.se