https://www.tradgardsteknik.se/logotyper/bill_logo_1.png
Patric Torle
info@tradgardsteknik.se
0431-222 90
0431-222 70
Trädgårdsteknik AB tillverkar och bygger växthus, specialväxthus, orangerier, belysning Garden för hela Skandinavien.
Helsingborgsvägen 578
ÄNGELHOLM
262 96
SWEDEN

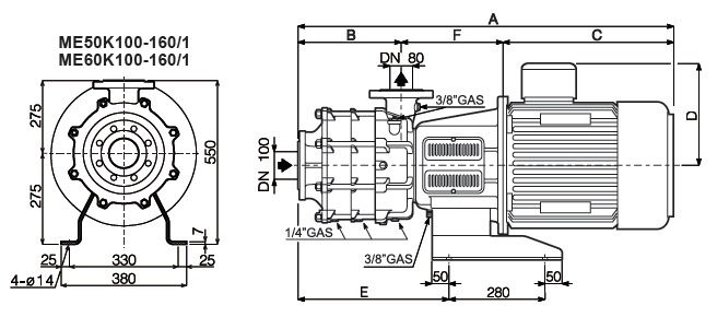
Pumpar elektrisk horisontell flerstegs MEK100-160 EUROPA  




Pumpar elektrisk horisontell flerstegs  MEK100-160 EUROPA

Utvändiga mått i mm och vikt i kg

MEK100-160- 2 Poler
Pump IEC A B C D E F G H P Q R S Pump Vikt Motor Vikt
ME50K100-160/1 * 213 * * 368 312 - - - - - - 107 *
ME60K100-160/1 * 213 * * 150 312 900 175 555 585 325 600 152 *
ME75K100-160/2 * 313 * * 75 312 900 175 555 585 325 600 182 *
ME75K100-160/2 * 313 * * 75 312 900 175 555 585 325 600 212 *
ME100K100-160/2 * 313 * * 232 387 945 225 690 720 380 655 196 *
ME125K100-160/2 * 313 * * 232 387 945 225 690 720 380 655 196 *
ME150K100-160/3 * 413 * * 358 387 945 225 690 720 415 690 256 *

 

Pumptyp Motoreffekt
 
Kapacitet
[l/min] 0 900 2000 2250 2500 2700 2900 3100 3300 3500
[m3/h] 0 54 120 135 150 162 174 186 198 210
[kW] [l/s] 0 15 33,3 37,5 41,7 45 48,3 51,7 55 58,3
ME50K100-160/1 37 [m] 75 71 66 64 61 58 54 50 45 39
ME60K100-160/1 45 [m] 85 82 76 73 70 67 64 60 56 52
ME75K100-160/2 55 [m] 115 110 98 93 84,5 76 68,5 58 44 -
ME75K100-160/2 55 [m] 115 110 98 93 84,5 76 68,5 58 44 -
ME100K100-160/2 75 [m] 145 139 131 126 120 114 108 99 89 77
ME125K100-160/2 90 [m] 168 162 152 148 143 138 132 126 119 112
ME150K100-160/3 110 [m] 206 201 190 183 174 166 156 146 133 120

Kurvor som fastställts för vätskedensitet 1000 kg/m³ - viskositet 1 mm²/s - temperatur 20°C, η% - Pump verkningsgrad 


  • Pump elektrisk horisontell flerstegs  ME50K100-160/1 37kW 210m³/h 75m 50Hz
    Art. nr.
    ROV2310
    Pump elektrisk horisontell flerstegs ME50K100-160/1 37kW 210m³/h 75m 50Hz
  • Pump elektrisk horisontell flerstegs  ME60K100-160/1 45kW 210m³/h 85m 50Hz
    Art. nr.
    ROV2311
    Pump elektrisk horisontell flerstegs ME60K100-160/1 45kW 210m³/h 85m 50Hz
  • Pump elektrisk horisontell flerstegs  ME75K100-160/2 55kW 198m³/h 115m 50Hz
    Art. nr.
    ROV2312
    Pump elektrisk horisontell flerstegs ME75K100-160/2 55kW 198m³/h 115m 50Hz
  • Pump elektrisk horisontell flerstegs  ME75K100-160/2 55kW 198m³/h 115m 50Hz
    Art. nr.
    ROV2313
    Pump elektrisk horisontell flerstegs ME75K100-160/2 55kW 198m³/h 115m 50Hz
  • Pump elektrisk horisontell flerstegs  ME100K100-160/2 75kW 210m³/h 145m 50Hz
    Art. nr.
    ROV2314
    Pump elektrisk horisontell flerstegs ME100K100-160/2 75kW 210m³/h 145m 50Hz
  • Pump elektrisk horisontell flerstegs  ME125K100-160/2 90kW 210m³/h 168m 50Hz
    Art. nr.
    ROV2315
    Pump elektrisk horisontell flerstegs ME125K100-160/2 90kW 210m³/h 168m 50Hz
  • Pump elektrisk horisontell flerstegs  ME150K100-160/3 110kW 210m³/h 206m 50Hz
    Art. nr.
    ROV2316
    Pump elektrisk horisontell flerstegs ME150K100-160/3 110kW 210m³/h 206m 50Hz
För mer information kontakta oss på
0431-222 90


TRÄDGÅRDSTEKNIK AB
Helsingborgsv., Varalöv
262 96 ÄNGELHOLM
Telefon:
0431-222 90
Org Nr:
556409-6120
Webbadress:
www.tradgardsteknik.se
E-post:
info@tradgardsteknik.se