Pumpar elektrisk horisontell flerstegs MEK150-200 EUROPA


Flerstegs Elektriska Pumpar - Föreställningar på 50Hz, 2 poler
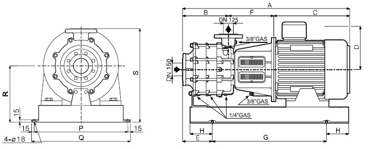
| MEK150-200 EUROPA - 2 Poler |
| Pump |
IEC |
A |
B |
C |
D |
E |
F |
G |
H |
P |
Q |
R |
S |
Pump Vikt |
Motor Vikt |
| ME180K150-200/2 |
• |
* |
338 |
* |
* |
410 |
402 |
1100 |
400 |
930 |
970 |
465 |
805 |
360 |
* |
| ME220K150-200/2 |
• |
* |
338 |
* |
* |
410 |
402 |
1100 |
400 |
930 |
970 |
465 |
805 |
360 |
* |
Utvändiga mått i mm och vikt i kg
| Pumptyp |
Motoreffekt |
Kapacitet |
| [l/min] |
0 |
1000 |
1500 |
2000 |
2500 |
3000 |
3500 |
4000 |
4500 |
5000 |
| [m3/h] |
0 |
60 |
90 |
120 |
150 |
180 |
210 |
240 |
270 |
300 |
| [kW] |
[l/s] |
0 |
16,7 |
25 |
33,3 |
41,7 |
50 |
58,3 |
66,6 |
75 |
83,3 |
| ME180K150-200/2 |
132 |
[m] |
163 |
162 |
160 |
156 |
151 |
146 |
138 |
130 |
121 |
112 |
| ME220K150-200/2 |
162 |
[m] |
191 |
188 |
185 |
182 |
180 |
170 |
169 |
161 |
151 |
140 |
Föreställningar på 50Hz, 2 poler

Kurvor som fastställts för vätskedensitet 1000 kg/m³ - viskositet 1 mm²/s - temperatur 20°C, η% - Pump verkningsgrad